Tăng Minh Phát là đại lý phân phối Van điều khiển khí nén 3 ngã Type 2106 hãng Burkert tại Việt Nam.
Thông tin sản phẩm : Tại Đây
Mô tả sản phẩm :
Van ngồi 3/2 chiều Bürkert, Loại 2106, bao gồm bộ truyền động ELEMENT vận hành bằng khí nén và thân van 3 chiều bằng thép không gỉ. Việc trao đổi các cổng áp suất và dịch vụ cho phép các chức năng mạch chất lỏng khác nhau, chẳng hạn như trộn hoặc phân phối môi trường. Thân van được tối ưu hóa dòng chảy của Loại 2106 cho phép tốc độ dòng chảy tuyệt vời. Vòng đệm tự điều chỉnh đã được thử nghiệm và kiểm tra đảm bảo độ kín cao và do đó đảm bảo hoạt động đáng tin cậy trong nhiều năm. Thiết kế của van 3/2 chiều, Loại 2106, mang lại tất cả ưu điểm của tự động hóa phi tập trung, hiện đại: Đầu điều khiển và bộ truyền động được kết nối trực tiếp mang đến thiết kế nhỏ gọn và trơn tru, đường dẫn khí nén tích hợp, cấp bảo vệ IP65/67, Loại NEMA 4X và khả năng kháng hóa chất cao. Giao diện fieldbus được tích hợp tùy chọn thông qua các thiết bị tự động hóa chống cháy nổ là những ưu điểm hơn nữa của van ngắt 3 chiều. Đối với người dùng, loại 2106 nhỏ gọn thường là sự thay thế tiết kiệm cho hai van đơn.
Để trộn hoặc phân phối phương tiện
Tự động hóa phi tập trung với đầu điều khiển
Thân máy được tối ưu hóa dòng chảy bằng thép không gỉ
Tuổi thọ dài và hoạt động không cần bảo trì
Đầu điều khiển được kết nối không có ống bên ngoài
Thông số kĩ thuật :
.png)
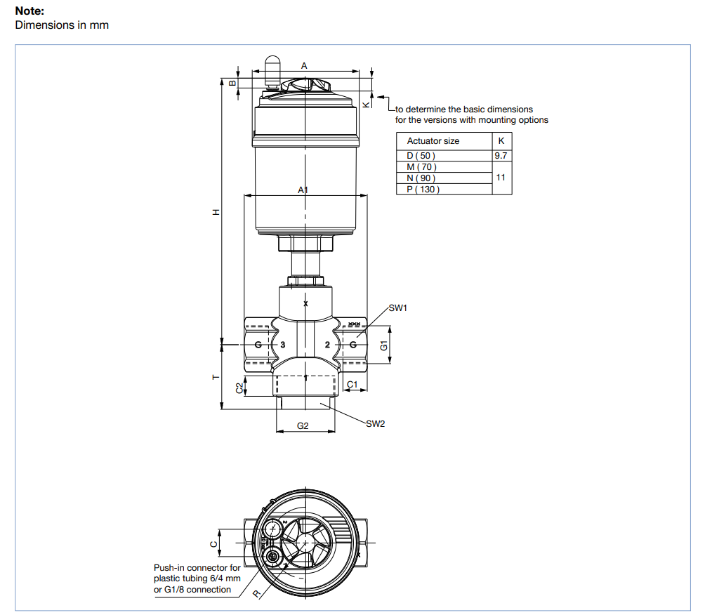
Thông số kích thước :
.png)
.png)
Code đặt hàng : Van điều khiển 3 ngã Type 2106 Burkert
Van điều khiển khí nén 3 ngã Type 2106 hãng Burkert
- AT2E
- Ametek
- Aira
- Bircher
- Bihl Wiedemann
- Barksdale
- Brooks Instrument
- Burkert
- Beckhoff
- BAUMULLER
- Bussmann
- Badger Meter
- Baumer
- BCS
- CEBA
- CS Instrument
- DWYER
- Euroswitch
- EBM Papst
- Elau Schneider
- Endress + Hauser
- ELETTROTEK KABEL
- Elco Holding
- Fotoelektrik Pauly
- Fireye
- Fairchild
- Fox Thermal
- Festo
- GINICE
- IPF ELECTRONIC
- IBA
- Indra
- Keller
- KIEPE ELEKTRIK
- Koganei
- KITZ
- Knick
- Land Ametek
- MARK-10
- Matsushima
- Matsui
- Masibus
- Mehrer
- Masoneilan
- Minimax
- Nireco
- Noshok.
- Novotechnik
- Nokeval
- Norgren
- Ohkura
- Pora
- PCI Instrument
- Red Lion
- Rotork
- Soldo
- Teclock
- Telco Sensor
- TDK Lambda
- Vibro-meter
- Wise control
- Weidmuller
- Young tech
- ZAMASENSOR
- Autrol
- Wago
- FineTek
- Riels
- Auma
- Gastron
- Dittmer
- JD Control
- Staubli
- Yamato
- Tempsen
- Schubert Salzer
- Wonil
- Phisher
- Precision Digital
- Moog
- Tek Trol
- Kometer
- Tema Vasconi
- Ceia
- Bronkhorst
- Krohne
- Comet
- Sitec
- ID Insert Deal
- Schneider Electric
- Proface
- Beijing Goda
- PFEIFFER Vacuum
- Okazaki
- DMN WestingHouse
- Kracht
- Sensy
- Hirose Valve
- REIVAX
- Endress Hauser
- CEMB
- Labom
-
Trực tuyến:5
-
Hôm nay:290
-
Tuần này:1739
-
Tháng trước:12388
-
Tất cả:2975057

Email: